AUDIO TUBES | GERMAN TUBE HIFI | MY EQUIPMENT | CONTACT | ON EBAY

Siemens - Klangfilm

Introduction / Overview

Klangfilm History

Moving Coil MC preamps

KLV Eurodyn Rack Amps

KLV Preamps

Output Transformers
Speakers
Siemens 2000 Amps

6SELA Preamps

6SELA Power Amps

6SELA Tuners

Spare Parts

Typical Tubes

Racks

Miscellanous

Projects

Eugen Bauer

 
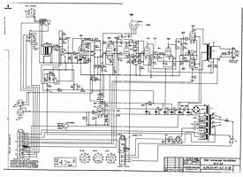
Siemens Sf V. 6.7
 
 

  This is the biggest and best Siemens 2000 amp. Usually carrying T42 input transformers and the most versatile input stage.

  You should only use the power amp section to get hifi reproduction. Using the main amp input they work as power amps and the signal does not pass any controls.

 

Some test results (using the power amp section only)

  - power output: 12 watts rms into 16Ohms @ 1kHz

  - frequency response (8Ohms load resistor @ 1 watt - 1kHz = 0dB):

    - 16 - 50.000 Hz ±0.5dB

 
 

 

 

 

 
  Siemens 2000 green projector amp Sf V. 6.6 with EL95 tubes    
 
     
         
     
 
     
 

 

 
 

BACK

TOP OF THIS PAGE

HOME