AUDIO TUBES | RÖHRENVERSTÄRKER | MESSEN + HÖREN | KONTAKT | EBAY

 
Klein + Hummel Telewatt VS55 and VS66
                   
    Klein + Hummel K+H Telewatt K&H VS55 VS 55 tube amp classic Röhrenverstärker  

  Klein + Hummels Ursprünge sind mit Sicherheit mehr in der Mess- und Profitechnik zu finden. Besonders waren sie Haus- und Hoflieferant der größten deutschen Rundfunkstudios. Der Ausflug in die Unterhaltungselektronik war von begrenzter Dauer. In den frühen Geräten finden sich viele Anleihen aus der Studiotechnik (wie beispielsweise die Schaltersätze oder die z.T. hervorragenden Ausgangsübertrager).

  Der VS55 war der erste der ECL82-Gegentaktverstärker-Serie und wurde zunächst einer gold-schwarzen Front mit rotem Telewatt-Logo eingeführt.

  Mit den Jahren wurde das Design modernisiert und die ECC83 Vorröhren durch (die vermeintlich rauschärmeren) ECC808 ersetzt.

  Die Endröhren blieben immer die ECL82, in den späteren Geräten musste allerdings die EZ81 Gleichrichterröhre einem Selengleichrichter weichen. 

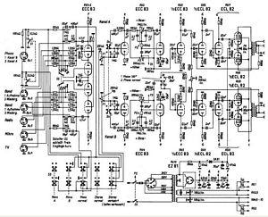
  Die Schaltung der VS55-VS56-VS60-VS66 Familie ist typisch für die Telewatt Vollverstärker: zu viele Schalter und Regel-möglichkeiten, feste Gittervorspannung, ein Trimmpoti zu Symmetrierung der Endröhren und wählbare Phonoentzerrung. Leider haben diese kleineren Modelle nicht die mechanische Qualität der größeren VS70-110 Geräte.

  Ein weiteres Merkmal der ECL82-GT-Verstärkerfamilie ist das Grundrauschen, das bei empfindlicheren Lautsprechern leicht vernehmlich ist. Dies ist auf eine Eigenart der Eingangsschaltung zurückzuführen: Alle Signale (auch Line/Hochpegel) müssen (wie Phono) durch alle Röhrenstufen. Diesem Problem wurde zwar in den späteren VS56 und VS60 zwar Rechnung getragen, aber ganz gelöst wurde es nicht.

  Mit guten Endröhren klingen diese ECL82 Verstärker allerdings sehr ordentlich. Der Ausgangsübertrager hat Anschlüsse für 4 und 16 Ohm Lautsprecher. 

  Vor der Inbetriebnahme eines VS55 oder VS66 im Originalzustand sollten unbedingt die WIMA-Bonbons Koppelkondensatoren überprüft werden.

 
   

VS55 Front

 
       
    Klein + Hummel K+H Telewatt K&H VS55 VS 55 tube amp classic Röhrenverstärker  
   

VS55 Rückseite

 
       
Klein + Hummel K+H Telewatt K&H VS55 VS 55 tube amp classic Röhrenverstärker  
 
   

Klein + Hummel K+H Telewatt K&H VS55 VS 55 tube amp classic Röhrenverstärker

   
   

VS55 Innenansicht von oben

     
           
    Klein + Hummel K+H Telewatt K&H VS55 VS 55 tube amp classic Röhrenverstärker   Klein + Hummel K+H Telewatt K&H VS55 VS 55 tube amp classic Röhrenverstärker  
       

VS55 Innenansicht von unten        

 
           
Klein + Hummel K+H Telewatt K&H VS55 VS 55 tube amp classic Röhrenverstärker

Klein + Hummel K+H Telewatt K&H VS55 VS 55 tube amp classic Röhrenverstärker

   

VS55 Innenansicht

 

VS55 Schaltplan             

 
 

 

 
           

BACK

TOP OF THIS PAGE

HOME