AUDIO TUBES | GERMAN TUBE HIFI | MY EQUIPMENT | CONTACT | ON EBAY

 
ELAC PBV 140
                   
     

   This is the rarest German stereo integrated amp I know. I have only seen this sample in 20 years.

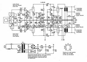
  Equipped with two ECL86 tubes, this amp delivers 2 watts RMS into 4 Ohm speakers (maximum distorted power = 3 watts) and about 20% less into 8 Ohms loads.

  With this design you will not get a real RIAA or CCIR phono stage, but iron is fine and the design is simple, so it would be a good base for a slight mod to a linear power amp.

  But my sample was NOS and NIB !!! 

 
   

 

 

The frequency response is "very interesting":

  The bigger picture shows the FR with treble + bass turned to center position. So it seems the bass control will have to increase the bass response and the treble pot has to be turned to minimum. The best results are with the bass control turned to the pilot light and the treble control to the minimum position.

  But the frequency response still depends on the volume pot:

Upper left: Volume turned to pilot light (90°)

Upper right: Volume turned to the right (180°)

Lower left: Volume turned 270°

Lower right: As before with treble in center.

  You see, this amp makes it interesting finding a "linear" response....

  Otherwise it is a nice base to get a linear working power amp when bypassing the tone and volume controls.

                   
                   
         
                   
                   
         
 

 

 
           

BACK

TOP OF THIS PAGE

HOME